ОС силовой трансформатор
100% Оригинальная продукция
Продукция от завода-производителя
Гарантия качества
Гарантия качества от производителя
Бережная доставка
Доставка по всей территории Республики Казахстан
Трансформаторы серии ОС подходят для замены трансформаторов марок ОСМ
Описание трансформатора ОС
Трансформатор однофазный, сухой, многоцелевого назначения ОС предназначен для питания цепей управления, электроавтоматики, сигнализации, и местного освещения.
Трансформатор рассчитан для эксплуатации в климатическом исполнении «УХЛ» категории размещения «2» по ГОСТ 15150, соответствует ГОСТ 19294.
ТУ16 - 2007 ОГГ.671 113.001 ТУ
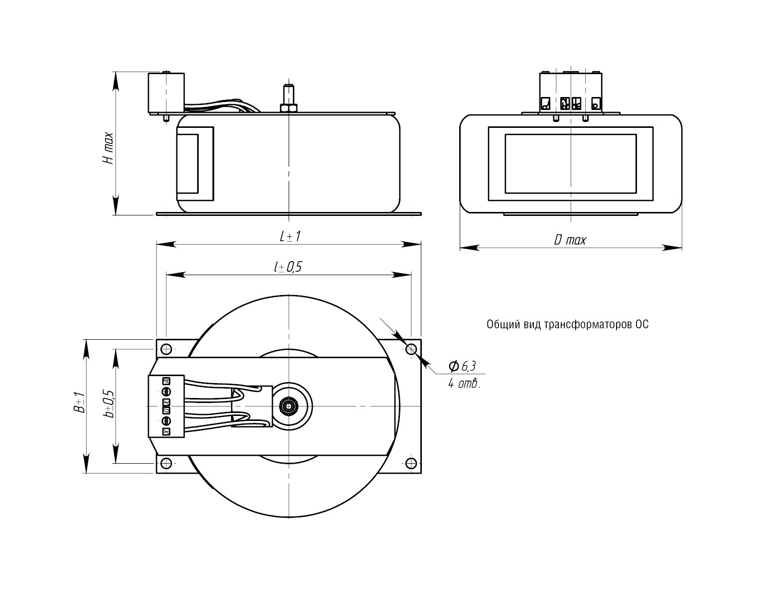
Технические характеристики трансформаторов ОС
Класс напряжения, кВ - 0,66
Мощность, кВА - 0,063; 0,1; 0,16; 0,25; 0,4; 0,63; 0,1
Климатическое исполнение - УХЛ2
|
Тип трансформатора |
Мощность, ВА |
Размеры, мм |
Масса, кг |
|||||
|
D |
L |
I |
В |
b |
H |
|||
|
OC-0,063 |
63 |
120 |
162 |
150 |
82 |
70 |
87 |
1,61 |
|
OC-0,1 |
100 |
127 |
89 |
2,2 |
||||
|
OC-0,16 |
160 |
136 |
90 |
2,9 |
||||
|
OC-0,25 |
250 |
142 |
98 |
3,7 |
||||
|
OC-0,4 |
400 |
150 |
182 |
170 |
102 |
90 |
96 |
4,8 |
|
OC-0,63 |
630 |
165 |
102 |
5,61 |
||||
|
ОС-1,0 |
1000 |
187 |
202 |
190 |
122 |
110 |
120 |
7,75 |
|
* Трансформаторы изготавливаются с напряжением обмотки ВН (220 и 380) В; обмотки НН (12, 24, 36) В |
||||||||
Габаритные размеры трансформатора ОС

Как узнать цену и купить трансформатор ОС
Для того, чтобы узнать цену и купить трансформатор ОС направьте ваш запрос по электронной почте cztt@dke.kz либо позвоните в наш офис по номеру +7 (777) 333-01-13
Почему стоит купить трансформаторы у ДИКОМ ЭНЕРДЖИ
Номенклатура
Самая широкая номенклатура выпускаемых трансформаторов тока и напряжения
ГОСТ
СЗТТ является разработчиком ГОСТ по измерительным трансформаторам.
Опыт
Опыт производства трансформаторов с литой изоляцией – более 60 лет
Производство
Изготовление нестандартных трансформаторов
Выбор
Лицензия на изготовление оборудования для ядерных установок
Гарантия качества
Аккредитованный испытательный центр