ОЛС силовой трансформатор
100% Оригинальная продукция
Продукция от завода-производителя
Гарантия качества
Гарантия качества от производителя
Бережная доставка
Доставка по всей территории Республики Казахстан
Описание трансформаторов ОЛС
Трансформаторы предназначены для обеспечения питания цепей собственных нужд пунктов секционирования и автоматического включения резерва (АВР) электрических сетей 6–10 кВ частоты 50 или 60 Гц.
Трансформаторы изготавливаются в климатическом исполнении «У» или «Т» категории размещения 2 по ГОСТ 15150.
Рабочее положение – любое.
ТУ16 - 98 ОГГ.671 117.020 ТУ
Технические характеристики трансформаторов ОЛС
- Класс напряжения, кВ - 6; 10
- Мощность, кВА - 0,63; 1,25
- Климатическое исполнение - У2; Т2
|
Наименование параметра |
Значение для типов |
||||
|
ОЛС-0,63/6 |
ОЛС-0,63/10 |
ОЛС-1,25/6 |
ОЛС-1,25/10 |
||
|
Класс напряжения, кВ |
6 |
10 |
6 |
10 |
|
|
Наибольшее рабочее напряжение, кВ |
7,2 |
12 |
7,2 |
12 |
|
|
Номинальное напряжение первичной обмотки, кВ |
6,3 |
6,6 |
10,5; 11 |
6,3; 6,6 |
10,5; 11 |
|
Номинальное напряжение вторичной обмотки*, В: |
|||||
|
x-a1 |
100 |
||||
|
x-a2 |
209 |
||||
|
x-a3 |
220 |
||||
|
x-a4 |
231 |
||||
|
Номинальная мощность на ответвлениях 100 и 220 В, В·А |
630 |
1250 |
|||
|
Предельная мощность на ответвлении 220 В в течение 10 мин, В·А |
2000 |
||||
|
Схема и группа соединения обмоток |
1/1-0 |
||||
|
Номинальная частота тока, Гц |
50 или 60 |
||||
|
Испытательное напряжение, кВ: одноминутное промышленной частоты |
25 |
35 |
25 |
35 |
|
|
грозового импульса полного |
60 |
75 |
60 |
75 |
|
|
грозового импульса срезанного |
70 |
90 |
70 |
90 |
|
|
Масса, кг |
26,5±1,5 |
28,5±1,5 |
28,5±1,5 |
30±1,5 |
|
|
* Допустимая погрешность напряжения на ответвлении 100 В – ±3%, на остальных ответвлениях – ±1%. |
|||||
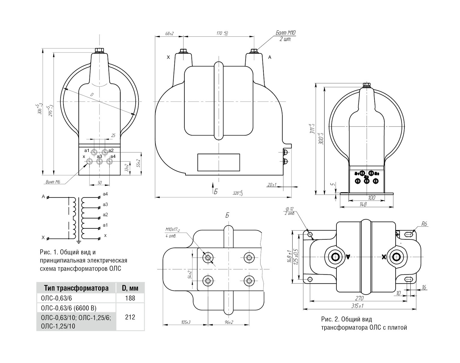
Габаритные размеры трансформатора ОЛС

Как узнать цену и купить трансформатор ОЛС
Для того, чтобы узнать цену и купить трансформатор ОЛС направьте ваш запрос по электронной почте cztt@dke.kz либо позвоните в наш офис по номеру +7 (777) 333-01-13
Почему стоит купить трансформаторы у ДИКОМ ЭНЕРДЖИ
Номенклатура
Самая широкая номенклатура выпускаемых трансформаторов тока и напряжения
ГОСТ
СЗТТ является разработчиком ГОСТ по измерительным трансформаторам.
Опыт
Опыт производства трансформаторов с литой изоляцией – более 60 лет
Производство
Изготовление нестандартных трансформаторов
Выбор
Лицензия на изготовление оборудования для ядерных установок
Гарантия качества
Аккредитованный испытательный центр